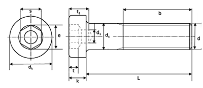
DIN 6912 Low Socket Cap Screw with Pilot Hole
DIN 6912 Low Socket Cap Screw with Pilot Hole, made by stainless steel A2/A4 grade, size M6-M20 from China Socket Cap Screws Manufacturer.
![]() |
![]() |
DIN 6912 Low Socket Cap Screw with Pilot Hole
made by stainless steel SUS304 / SUS316
Finish: Washer and Passivated
Size: M5-M14
| Size | M5 | M6 | M8 | M10 | M12 | M14 |
| Pitch | 0.8 | 1 | 1.25 | 1.5 | 1.5 | 1.5 |
| dk max | 10 | 12 | 16 | 20 | 24 | 28 |
| dk min | 9.64 | 11.57 | 15.57 | 19.48 | 23.48 | 27.48 |
| h max | 0.8 | 0.8 | 1.2 | 1.4 | 1.6 | 1.6 |
| k | 2.2 | 2.7 | 3.2 | 4.2 | 5 | 5.8 |
| n max | 3.9 | 4.4 | 5.9 | 7.9 | 9.4 | 11.5 |
| ds max | 5 | 6 | 8 | 10 | 12 | 14 |
| ds min | 4.82 | 5.82 | 7.78 | 9.78 | 11.73 | 13.73 |
Related Article

